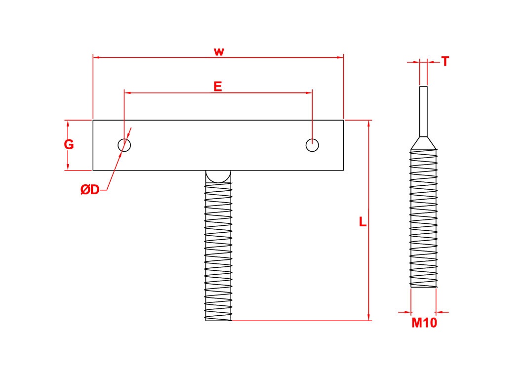
Adjustment Screws & Pins

T Support

Please contact us for detailed information.